Каталог
Каталог Написать в WhatsApp
Мотоэкипировка

Набор переоборудования ручки румпеля, электрический - 889246A79 4-Х ТАКТНОГО ПЛМ MERCURY 9.9 Серийный номер от 0R042475 и выше

Набор переоборудования ручки румпеля, электрический - 889246A79 4-Х ТАКТНОГО ПЛМ MERCURY 9.9 Серийный номер от 0R042475 и выше в Нижнем Новгороде: актуальный каталог, цены, фото, описание. Купите набор переоборудования ручки румпеля, электрический - 889246a79 4-х тактного плм mercury 9.9 серийный номер от 0r042475 и выше в кредит – оформите заявку онлайн за 1 минуту!

Оригинальные запчасти

Артикул НАИМЕНОВАНИЕ Кол-во деталей в узле Примечание Наличие Цена Аналоги Фото
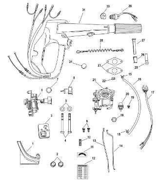
1 8M0051063 CONVERSION KIT, Tiller Handle, EPA (Electric Remote Control to Electric Handle)

Под заказ

1

Под заказ

уточнить

Купить
2 895174 COVER

Под заказ

1

Под заказ

уточнить

Купить
3 895175001 GROMMET

Под заказ

1

Под заказ

уточнить

Купить
4 8M0058362 BOLT

Под заказ

2

Под заказ

уточнить

Купить
5 16219002 SEAL

Под заказ

1

Под заказ

уточнить

Купить
6 802971001 SHIFT DETENT

Под заказ

1

Под заказ

уточнить

Купить
7 859278004 DECAL, Start

Под заказ

1

Под заказ

уточнить

Купить
8 859278003 Наклейка (DECAL, Throttle Only)

Под заказ

1

Под заказ

уточнить

Купить
9 803574002 THROTTLE ROD

Под заказ

1

Под заказ

уточнить

Купить
10 855561007 CHOKE LINK ROD (Handle)

Под заказ

1

Под заказ

уточнить

Купить
11 851848007 HOSE

Под заказ

1

Под заказ

уточнить

Купить
12 853820A02 START SWITCH

Под заказ

1

Под заказ

уточнить

Купить
13 895177 NUT

Под заказ

1

Под заказ

уточнить

Купить
14 8230427 BOLT, (M6 x 12)

Под заказ

1

Под заказ

уточнить

Купить
15 895124 Подкачивающая груша (PUMP ASSEMBLY, Priming)

Под заказ

1

Под заказ

уточнить

Купить
16 895110T11 Карбюратор (CARBURETOR)

Под заказ

1

Под заказ

уточнить

Купить
17 16333 Защелка (ROD, Snap)

Под заказ

1

Под заказ

уточнить

Купить
18 835383001 GASKET

Под заказ

2

Под заказ

уточнить

Купить
19 162284 Заглушка (GROMMET)

Под заказ

1

Под заказ

уточнить

Купить
20 8M0130961 CLAMP

Под заказ

1

Под заказ

уточнить

Купить
21 851858005 Втулка (BUSHING)

Под заказ

1

Под заказ

уточнить

Купить
22 855565002 Рычаг регулировки подсоса двигателя (CHOKE KNOB)

Под заказ

1

Под заказ

уточнить

Купить
23 8M0092849 Стропка (LANYARD ASY @2)

Под заказ

1

Под заказ

уточнить

Купить
24 803840 SWITCH, Neutral

Под заказ

1

Под заказ

уточнить

Купить
25 803841 ACTUATOR

Под заказ

1

Под заказ

уточнить

Купить

Нулевая цена не означает отсутствие товара. Оформите заказ, и менеджер сообщит вам цену и наличие товара, предварительно запросив их у поставщика

Главная Магазины
Корзина0
Профиль