Каталог
Каталог Написать в WhatsApp
Мотоэкипировка

Впускные, выпускные клапаны 4-Х ТАКТНОГО ПЛМ MERCURY 50 Серийный номер от 1C000001 до 1C050251

Впускные, выпускные клапаны 4-Х ТАКТНОГО ПЛМ MERCURY 50 Серийный номер от 1C000001 до 1C050251 в Нижнем Новгороде: актуальный каталог, цены, фото, описание. Купите впускные, выпускные клапаны 4-х тактного плм mercury 50 серийный номер от 1c000001 до 1c050251 в кредит – оформите заявку онлайн за 1 минуту!

Оригинальные запчасти

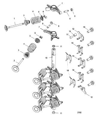
Артикул НАИМЕНОВАНИЕ Кол-во деталей в узле Примечание Наличие Цена Аналоги Фото
1 858271 Сальники клапановMercury-60

Под заказ

8

Под заказ

уточнить

Купить
2 893552 Пружина клапана F40-3cyl EFI (SPRING)

Под заказ

8

Под заказ

уточнить

Купить
3 822650 Седло клапанных сухарей (RETAINER-VALVE SPRING)

Под заказ

8

Под заказ

уточнить

Купить
4 893554 Сухарь клапана F40-3cyl EFI (KEY)

Под заказ

16

Под заказ

уточнить

Купить
5 898821A01 ROCKER ARM ASSY

Под заказ

8

Под заказ

уточнить

Купить
6 825046 SCREW

Под заказ

8

Под заказ

уточнить

Купить
7 826150 NUT

Под заказ

8

Под заказ

уточнить

Купить
8 8570851 Ось коромысел (SHAFT-ROCKER)

Под заказ

1

Под заказ

уточнить

Купить
9 893560 BRACKET

Под заказ

2

Под заказ

уточнить

Купить
10 893561 BRACKET

Под заказ

1

Под заказ

уточнить

Купить
11 893562 Пружина (SPRING)

Под заказ

2

Под заказ

уточнить

Купить
12 875218 Болт (SCREW, (M8 x 23))

Под заказ

5

Под заказ

уточнить

Купить
13 893645 GASKET

Под заказ

1

Под заказ

уточнить

Купить
14 859575 PIN

Под заказ

1

Под заказ

уточнить

Купить
15 893563 Пружина (SPRING, Overload)

Под заказ

2

Под заказ

уточнить

Купить
16 893505T05 CYLINDER HEAD ASSEMBLY

Под заказ

1

Под заказ

уточнить

Купить

Нулевая цена не означает отсутствие товара. Оформите заказ, и менеджер сообщит вам цену и наличие товара, предварительно запросив их у поставщика

Главная Магазины
Корзина0
Профиль