Мы используем cookie для наилучшего представления нашего сайта. Подробнее об этом в Политике конфиденциальности.
Ок

Ковров

Ваш город:
Ковров (Владимирская область)?
Нет
Да
Каталог
Каталог Написать в WhatsApp
Мотоэкипировка

Блок цилиндров и картер 2-Х ТАКТНОГО ПЛМ MERCURY 90 Серийный номер от 9506481 до 9589038

Блок цилиндров и картер 2-Х ТАКТНОГО ПЛМ MERCURY 90 Серийный номер от 9506481 до 9589038 в Нижнем Новгороде: актуальный каталог, цены, фото, описание. Купите блок цилиндров и картер 2-х тактного плм mercury 90 серийный номер от 9506481 до 9589038 в кредит – оформите заявку онлайн за 1 минуту!

Оригинальные запчасти

Артикул НАИМЕНОВАНИЕ Кол-во деталей в узле Примечание Наличие Цена Аналоги Фото
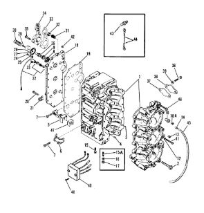
1 8947T50 CYLINDER BLOCK

Под заказ

1

Под заказ

уточнить

Купить
2 8947T49 CYLINDER BLOCK

Под заказ

1

Под заказ

уточнить

Купить
3 8947T51 CYLINDER BLOCK

Под заказ

1

Под заказ

уточнить

Купить
4 4009680 SCREW, CRANKCASE TO CYLINDER BLOCK

Под заказ

8

Под заказ

уточнить

Купить
5 8M0036405 Штифт (PIN CENTER MAIN)

Под заказ

3

Под заказ

уточнить

Купить
6 43044 Штифт (PIN, Dowel - Without Hole (.375 x .625))

Под заказ

1

Под заказ

уточнить

Купить
7 428841 COVER (TOP)

Под заказ

1

Под заказ

уточнить

Купить
8 76867 COVER, STARTER MOTOR (LOWER)

Под заказ

1

Под заказ

уточнить

Купить
9 81742750 SCREW, (M8 x 50)

Под заказ

4

Под заказ

уточнить

Купить
10 65848 CARRIER, POPPET VALVE

Под заказ

1

Под заказ

уточнить

Купить
11 64872 Заглушка (GROMMET, POPPET VALVE)

Под заказ

1

Под заказ

уточнить

Купить
12 814204A1 BLEED SYSTEM KIT

Под заказ

1

Под заказ

уточнить

Купить
13 400212 Гайка (NUT)

Под заказ

1

Под заказ

уточнить

Купить
14 42942 CAP, NYLON-ADJUSTING

Под заказ

1

Под заказ

уточнить

Купить
15 426233 Клапан (CHECK VALVE)

Под заказ

1

Под заказ

уточнить

Купить
16 821676A1 STUD KIT (M10)

Под заказ

8

Под заказ

уточнить

Купить
17 856774 Шайба (WASHER)

Под заказ

8

Под заказ

уточнить

Купить
18 40140 Гайка М10 (NUT @2)

Под заказ

8

Под заказ

уточнить

Купить
19 9003A2 Кожух блока (COVER-CYL BLOCK )

Под заказ

1

Под заказ

уточнить

Купить
20 430057 Прокладка (GASKET)

Под заказ

1

Под заказ

уточнить

Купить
21 47483 "J"CLIP, SWITCH BOX WIRES AND FUEL LINE

Под заказ

2

Под заказ

уточнить

Купить
22 78799 TEMPERATURE SENDER

Под заказ

1

Под заказ

уточнить

Купить
23 44290T RETAINER

Под заказ

1

Под заказ

уточнить

Купить
24 48409 SCREW, TERMINAL BLOCK MARINER

Под заказ

2

Под заказ

уточнить

Купить
25 56681 Шайба (WASHER, SWITCH BOX ATTACHING SCREW)

Под заказ

2

Под заказ

уточнить

Купить
26 86596 POPPET VALVE

Под заказ

1

Под заказ

уточнить

Купить
27 648771 Диафрагма (DIAPHRAGM)

Под заказ

1

Под заказ

уточнить

Купить
28 94182 WASHER

Под заказ

1

Под заказ

уточнить

Купить
29 69570 SCREW, COVER

Под заказ

1

Под заказ

уточнить

Купить
30 42996 SPRING, COMPRESSION - POPPET VALVE

Под заказ

1

Под заказ

уточнить

Купить
31 75692 Термостат (THERMOSTAT-143)

Под заказ

1

Под заказ

уточнить

Купить
32 62386001 Прокладка (GASKET @4)

Под заказ

1

Под заказ

уточнить

Купить
33 430068 Прокладка крышки термостата (GASKET)

Под заказ

1

Под заказ

уточнить

Купить
34 8M0047619 COVER

Под заказ

1

Под заказ

уточнить

Купить
35 12621 Заглушка (COVER)

Под заказ

1

Под заказ

уточнить

Купить
36 126201 Прокладка (GASKET)

Под заказ

1

Под заказ

уточнить

Купить
37 40007106 SCREW, STARTER SOLENOID

Под заказ

2

Под заказ

уточнить

Купить
38 14857A16 MODULE-OILWARNING

Под заказ

1

Под заказ

уточнить

Купить
39 4010630 SCREW, (M6 x 30)

Под заказ

2

Под заказ

уточнить

Купить
40 328022 Заглушка (PIPE PLUG)

Под заказ

1

Под заказ

уточнить

Купить
41 12415 Датчик (SENDER ASSY-TEMP)

Под заказ

1

Под заказ

уточнить

Купить
42 88824A6 CABLE ASSEMBLY POWERBOAT, Temperature Sender

Под заказ

1

Под заказ

уточнить

Купить
43 892024122 Шланг обратного клапана (TUBING-20 FEET)

Под заказ

1

Под заказ

уточнить

Купить
44 99162001 Колодка (BOOT)

Под заказ

1

Под заказ

уточнить

Купить
45 43004A99 Набор прокладок 75/90 дв. блок (GASKET SET)

Под заказ

1

Под заказ

уточнить

Купить

Нулевая цена не означает отсутствие товара. Оформите заказ, и менеджер сообщит вам цену и наличие товара, предварительно запросив их у поставщика

Главная Магазины
Корзина0
Профиль