Мы используем cookie для наилучшего представления нашего сайта. Подробнее об этом в Политике конфиденциальности.
Ок

Ковров

Ваш город:
Ковров (Владимирская область)?
Нет
Да
Каталог
Каталог Написать в WhatsApp
Мотоэкипировка

Рама КВАДРОЦИКЛА STELS ATV 50 C

Рама КВАДРОЦИКЛА STELS ATV 50 C в Нижнем Новгороде: актуальный каталог, цены, фото, описание. Купите рама квадроцикла stels atv 50 c в кредит – оформите заявку онлайн за 1 минуту!

Оригинальные запчасти

Артикул НАИМЕНОВАНИЕ Кол-во деталей в узле Примечание Наличие Цена Аналоги Фото
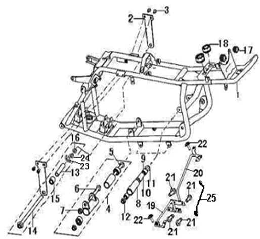
1 LU033534 Рама мотовездехода 57100B0ES002

Под заказ

1

Под заказ

уточнить

Купить
2 LU033535 Кронштейн крепления двигателя верхний 57422G00S000

Под заказ

2

Под заказ

уточнить

Купить
3 LU013750 Болт с фланцем M6x1.0x 12мм, сталь 9102-06-012, PFKL1214292

В наличии

4

В наличии

130

40

Купить
4 LU022386 Кронштейн крепления двигателя, нижний, в сборе 58300G00S000

Под заказ

1

Под заказ

уточнить

150

Купить
5 LU033536 Ось крепления двигателя (короткая), сталь 58301G00S000

Под заказ

1

Под заказ

уточнить

Купить
6 LU022387 Втулка проставочная I, сталь 58341G00S000

Под заказ

1

Под заказ

уточнить

180

Купить
7 LU022388 Сайлентблок 9х20х20мм 58340G00S000

Под заказ

2

Под заказ

уточнить

240

Купить
8 LU022389 Втулка проставочная II, сталь 57343G00S000

Под заказ

1

Под заказ

уточнить

20

Купить
9 LU033537 Ось крепления двигателя 8x132мм, сталь B01020813264

Под заказ

1

Под заказ

уточнить

Купить
10 LU022390 Втулка проставочная III, сталь 58306G00S000

Под заказ

1

Под заказ

уточнить

300

Купить
11 LU033538 Ось крепления двигателя (длинная), сталь 58305G00S000

Под заказ

1

Под заказ

уточнить

Купить
12 LU022391 Втулка проставочная IV, сталь 58307G00S000

Под заказ

1

Под заказ

уточнить

20

Купить
13 LU013984 Гайка самоконтрящаяся M12х1.25мм, сталь A060008-41,15228H03F000,6187.2-12-00,6184.2-12-00,B040112125

Под заказ

1
M12×1.25
M12×1.25

Под заказ

уточнить

30

Купить
14 LU033539 Кронштейн крепления фонаря указателя поворотов задний, левый 65780G0AS000

Под заказ

1

Под заказ

уточнить

Купить
15 LU033540 Кронштейн крепления фонаря указателя поворотов задний, правый 65790G0AS000

Под заказ

1

Под заказ

уточнить

Купить
16 LU013783 Болт с фланцем М8х1.25х 16мм, сталь 9102-08-016

Под заказ

4

Под заказ

уточнить

40

Купить
17 LU025183 Шайба 13.0x20.0x2.2мм, сталь 9501-130-200-22

Под заказ

1

Под заказ

уточнить

30

Купить
18 LU019423 Шайба пружинная 12мм, сталь, GB/T93-12.

Под заказ

1

Под заказ

уточнить

110

Купить
19 LU033541 Фиксатор рамы, сталь 40023B0ES000

Под заказ

1

Под заказ

уточнить

Купить

Нулевая цена не означает отсутствие товара. Оформите заказ, и менеджер сообщит вам цену и наличие товара, предварительно запросив их у поставщика

Главная Магазины
Корзина0
Профиль